来源: 发布时间:2026-01-19 17:17:01 浏览次数:8673
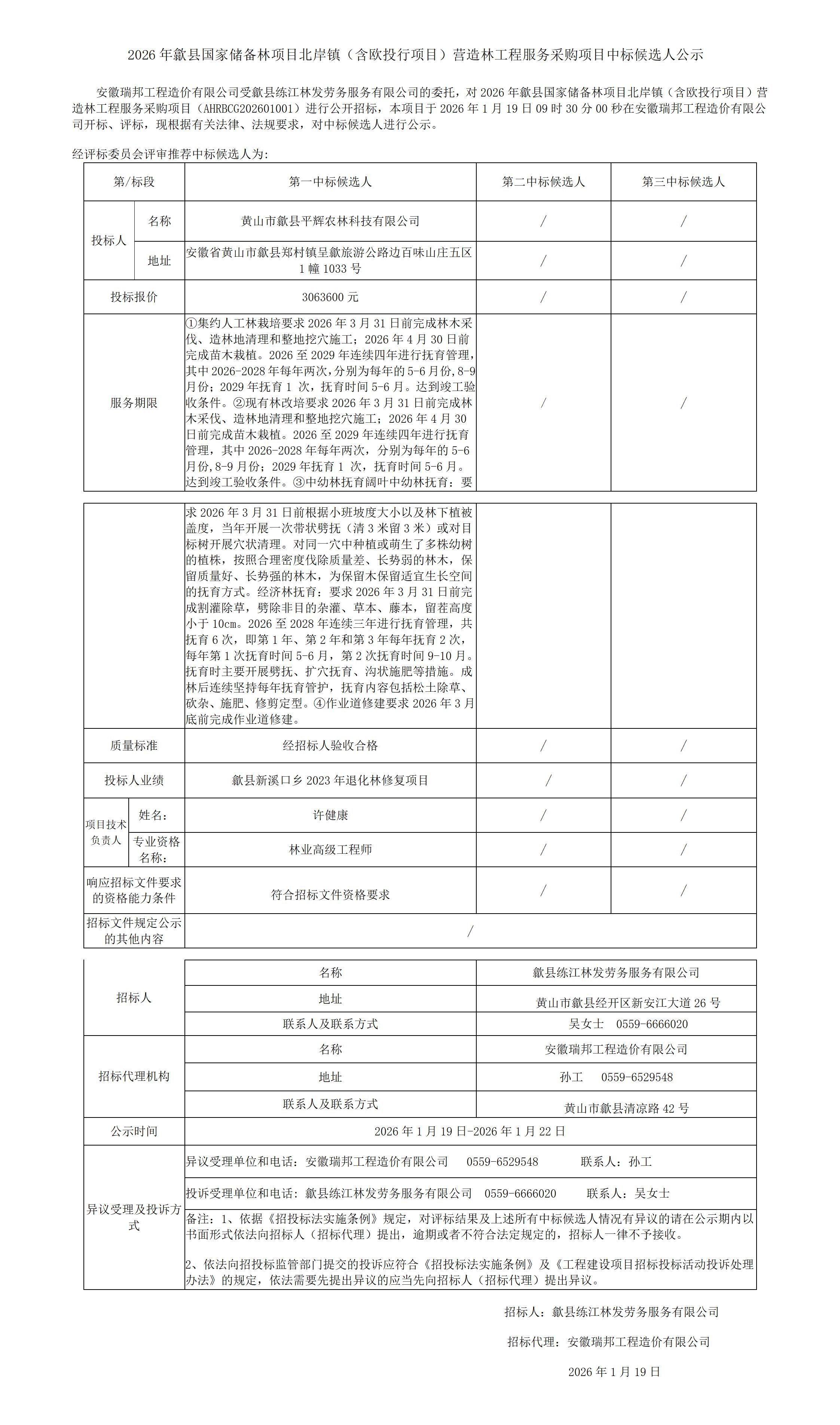
2026年歙县国家储备林项目北岸镇(含欧投行项目)营造林工程服务采购项目中标候选人公示

iVN1768900697rmAlzJ1.jpg

最新新闻

公司简介

8868体育

8868体育成立于2003年,为充分发挥企业发展活力,今年6月9日经县委深改组会议研究通过《安徽8868体育转型方案》,11月16日正式转型运营,是县财政局投资设立的国有独资公司,注册资本为5亿元人民币。

查看详细

联系我们

地址: 安徽省黄山市歙县经济开发区新安江大道26号
电话:0559-6666001